Tuesday, 19 June 2018

        प्रकल्प अहवाल                            प्रोजेक्ट 

विभागाचे नाव : वोर्कशोप

प्रकल्पाचे नाव : बिना लाईट फ्रिज

प्रकल्प  करणार्यचे नाव : ओमकार भोवड 

मागदर्शक : आबासाहेब सर 

प्रकल्प चालू करण्याची तारीख : १४/३/२०१८

प्रकल्प पूर्ण होण्याची तारीख : ८/४/२०१८



                      अनुक्रमणिका


१) प्रस्तावना .


२) प्रकल्पाचे नाव .

३) उद्देश .

४) पूर्व नियोजन .


५) साहित्य व साधने .


६) कृती .

७) निरिशन .
८) अनुमान .
   
९) प्रत्यक्ष खर्च .


 * प्रस्तावना : विजेची बचत होण्या साठी व गरिबांना                                     पुरवण्यासाठी  बिना लाईटचा फ्रिज चा  उपयोग होतो .


* प्रकल्पाचे  नाव : बिना लाईटचा फ्रिज .


* उद्देश : विजेची बचत करण्यासाठी व गरिबांना                                     परवडण्यासाठी . 


* पूर्व नियोजन : पाहिले किती मापाचा बाणवायचा कसा                                   बनवायचा व त्यासाठी कोणते  साहित्य  लागेल व काय कसे जोइंड मारायाचे ते समजून आकृती काढून मापे लिहून घेतली .


* कृती : 


* निरीषण : कोणतेही काम करताना पहिली सगळी माहिती                       काढून नंतर त्यावरती काम करताना नीट मापे घ्यावी व फ्रेम तयार करताना राईट ऐंगलचा वापर करावा हे कळाले

* अनुमान : मी जेव्हा फ्रिज बनवायला घेतला तेव्हा मला सराणी 

                  मदतीने  पूर्ण केला व आता मी परत फ्रिज बनवायला सांगितला तर बनऊ शकतो \


* प्रत्यश खर्च : 



Monday, 18 June 2018

 प्रोजेक्ट



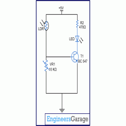
 5vचारजेर

Circuit diagram for light dependent resistor
   
1 रिले

1 रजीस्टन

1 पोटेशममिटर

1 चिकटटेप

1 ldr सर्किट
 1 ऑडयकटर

Circuit diagram for light dependent resistor
कृती: ldr सर्किट शोडरीग केली व रिले शोडर केला

LDR | Light Dependent Resistorव dayt शोडर केला व ऑडयकटर शोडर केला

पोटेशोममिटर शोडर केला व चारजर शोडर केला

कंप्युटर ल्याबचा जीन्या शेजारी बल्प लावला स्कीट

जोडले व चालू करुन पाहिले ओतोमेटिक चालू व बांद
http://gamail.com/
BC547 | Transistor BC547  | PDF Datasheet
LDR | Light Dependent Resistor
होत होता .

उददेस: ऑटोमेंटीक लाईट कंटूर 
Resistor Image बनवने प्रयोजन – लाइट योग्यवेळी चालु बांद होणे
Resistor Image

उरजेची बचेत होने

तत्व: रञीस्ट कमिञास्त होतो उञेड पडला की रञीस्टन

कमि होतो त्यामुळे लाईट बंद होते अंधार पडला कि

BC547 | Transistor BC547  | PDF Datasheetरञीस्टन जास्त होतो त्यामुळे लाईटचालु होतेउञेडावर

अवलंबुन असतो
      

प्रोजेेक्ट टायपिंग डोम डाॅयेर






१  मी      पहिलादा     कादा    कापल     तयांच्यात  मलाआसे         कळले      की :-

     १  कादा    कसा    कापावा२.

=  कदा    कधी   पण    सलाईस       बारीक     झाले          पहिजेण   असा
     कापावा .
    २    मला    याचयात       कादा     कसा        लोज      करावा 
    =    मी     कादा      कादा     कापलया    नतर    मी         पाहीलादा     कादा       मोकळा     करन.      तो    पूर्ण    पणे     तया     टे      वरती      पसरून     दयावा        तया      नतर      तो    
  १    तासाला       ललवावा  .     कारण    जया    वेळेस    आपण     ऐखादी        गोळ    महणजे
   वलली    गोट     डा   करायला    वेवतो    तया  
    वेळेस   फकत   वरची     गोट   डाय    होते    पण    खालची    जी   
गोणत    वलली    रालो      ती   ती     पूर्ण   पणे     बुरशी     लागते .
  तयामुळे     आपण   १   ताासाला     हलताता     तर    कसा    हलवावा   
   खालचा   कादा   वरती    व    वरची   कादा    खाली   
     जावा   असा    हलवावा . 
३   कादा     वाळलयानतर     कसा   काढूण    घयावा .
=    पहिल्यादा    काद    कायासाणी     काही    साहीतय     घयावे . 
१ news     पेपर .
२ .   5 kg       व   10   kg       nitroen       पॅकिंग     ची    पिशवी . 
तर   news   पेपर सव  वरली    टाकावा  
नतर    सव    टे    news     पेपर    वरती     टाकावा   टाकोवा     
नतर    ते   10kg    nitroeh     पॅकिंगचया        पिशवीत     भरन   घयावा.
४ =  डोम     डायरचे     टेमेपेचर       रीडींग   कसे   आणि  मी  
        जे   कादा    व  iower   याचा    lob  कयम   कानावा. 
=   मी    डोम    डायरचे  टेमरचर   रीडींग    १ तासाणी  घयावी . 
आणि       मी  डोम   डायर     मध्येे  जे  डाय       करण्यासाठी    वेवले     होते  
    तयाचे  lob   कानले व               तया     १   किव   २   तासाणी    `रितीग     घया वी            









                                               * THANKS*

Saturday, 16 June 2018

12 रोट बनवणे

उददेश :-भटटीचा    वापर     करून   रोट  बनविणे। 
साहित्य  :-रवा  डालडा  साखर   अमल    बटर   दुध.
साधने :-परात    टे   चमचा    लाकूड
              कृति:-
                        पथम    आमही    रोट    साठी    लागणारी   साहितयाची                       
                            यादी   केली व 
                           ते      सामान    गावातून    आणले      
                                   २  डालडा  125gm    घेतला   व   मीकस                                                        करून
                           घेतले
                        ३  मध्येे   500gm  रवा    टाकला    व   मिक्स   केले
                        ४ साखर    आणि    अमल   बटर   टाकून  हे   सव   मिक्स  करण  घेतले  तयामधये   वेलची  थोजीशी    टाकली
५   मग  दुधात  ते  लाडू   बनवील  आसे   दूध    टाकूण   मिक्स      केले    ६ नतर  टेला   थोडासा    जालडा   लाकून घेतला   व   ते  रोट  बनवून 
    टे  मधे   ठेवला 
७ भटटीचे  टेमपचर   थोडे     आसणे     गरजेचे   आहे.
८  रोट    पणयणे     चाॅकलीटी    होइपर्यंत   ठेवावे  
9 रोट    टाकलयावर    टेला    हलतू      नये. 
                  निरीक्षण:-
                                  1 टेला    जालजा   जास्त   लावू   नये. 
                                   2  मिश्रण   मिक्स   करूण    घयावे. 
                                   3    रोट    भटटीमधये    भाजून    घयावेत.
 अक             मटेरिअल               नग              दर                   किमत 
1                  रवा                        1/2kg             28/kg              14    rs 
2                  डालडा                    125gm            90/kg              11 -52               
3                  साखर                     500gm           35/kg              18     rs
4                  अमलबटर              1पॅकेट              1 पॅकट४६        ४६             
5                   दुध                      1/2 मिटर            ४०/kg            २०   
६                   लाकूड                   7kg                   8/kg               56 
                                                              total=174.25   rs
                                                                 लेबर  चाज=                                                                                                     

Friday, 15 June 2018

मायक्रो ओहन :-

या मंध्ये आपण केक किंवा कोणताही पदार्थ भाजू शकतो . 



Image result for micro ohan machines

मिक्सर :- या मंध्ये आपण कमी पदार्थ बारीक करू शकतो . कमी वजनाचे . उदा ) ४०० ग्र्याम शेंगदाणे 

Image result for mixer



रक्त दाब ओळखणे

 रक्त दाब ओळखणे

उदेद्श :- आजाराचे निरसन करण्यासाठी ब्लड पेषर तपास्याच्ण्याचे                          गरजेचे आहे 

साहित्य :- ब्लड पेशर चेकाप मशिन , मीटर ,स्टेट स्कोप .

कृती :- १) हाताची मुठी बंद करून घ्यावी 
           २) दंडावर ब्लड पेषर चेकप ब्यंड बाधून घ्यावा 
           ३) पप्कीचा फुगा दाबून बन्डवर पेषर देऊन रीपोट घ्यावं 
           ४) त्यासाठी हाताच्या नदीवर स्टेटस्कोप ठेवून नाडीच्या                                  आवाक्यातील ठोके मोजणे 
           ६) जेह्वा ठोके बंद होईल व ठोके चालू झाल्याची नोड करावी .या                      वरून bp चेक करणे   

रक्त गट तपासणे




उदेद्श :-  रक्त गट तपासणी करण्यास शिकणे आणि विविध रक्तगटाची                 माहिती समजून घेणे 

अपेषित कौशल्य :- मुलांना रक्ताचा नमुना घेता येने 

साहित्य /साधने :- लॅसेट , कापुस , काचपटी , परिशानळी , भिग , स्पिरीट                              , antia a , antia b , antia d

 कृती :- १) ज्या व्यक्तीला रक्तगटाची तपासणी करावयची आहे तिच्या                    डाव्या हाताला करगलीच्या शेजारील बोटाला स्पिरीटने                            निर्ज्रुतुक करून घ्या  ,लॅसेटच्या साहाय्यने टोचून घ्या व                          आपले हात चे रक्त तीन काचपत्यावर घेतले 
           २) काचप्त्त्वरील एका ठिकाणच्या र्क्त्वरील अन्तीसिरा A ,B , D                 या ठीक णी रक्त घेतले    
           ३) तीन्ही ठीकानाच्या रक्त नुमुन्या साठी तीन स्वतंत्र स्वच्छ                        काच पट्या वापरून anti व प्रत्येक रक्तानुसार एकत्र करा 

निरीशन / अनुमान :- तिसऱ्या  ठिकाणच्या  नुमुनाच्या निरीषण                                              करण्यासाठी   भिग वापरा व पुढील तक्त्याच्या                                         आधारे रक्त नमुना ओळखता येईल .

 हिमोग्लोबीन तपासणे

 १) hb रक्तगटाचे प्रमाण :-हिमोग्लोबीन हे द्रव्य रक्तातील तबड्या पेशी असतात या द्रव्य मुळे एकतातील तबड्या पेशी वायुतून co2 फुफ्फुसातून नेण्याचे काम करतात .
     
३) प्राथमिक कृती :- HB हिमोग्लोबीन लागणारे लिक्विड HCC  , DW , कापुस , स्पिरीट शरीरातील रक्त 

कृती :- १) टेस्ट  ट्यूबमुळे 20 खुणेपर्यत N/10 घेतला 
            २) रक्त नमुना घेण्याच्या ठिकाणी ठिकाणाला स्पिरीट लावून                      निर्जृतक करून घेताले .
           ३)लॅेपच्या  सह्याय्ने बोटाला टोचून रक्त काढले 
            ४) ट्यूबमुध्ये ०.०२mlएवढे रक्त घेतले 
            ५) परिशा नळी मध्ये सोडले 
            ६)परिशा नळी मध्ये पाच टेवली द्रावनाची रगस्तर दोन बाजूच्य
                सयुक्त होण्यासाठी 
            ७)थेब टाकले व आणि शेडाने हलवले 
            ८) रक्त ट्यूबमुळे रीडिग घेतले , HB चे प्रमाण पहिले 
4)हिमोग्लोबीन कमी झाल्यामुळे :- १) चक्कर येते 
                                                     २) थकवा येणे
                                                     ३) BP लो होतो 
५) हिमोग्लोबीन मेंटेनन्स :- १) गुळ , शेगदाणे , बिट , गाजर , अजीर                                                       खाणे   
          

रोट बनवणे

उदेद्श :- भटीचा वापर करून करून रोट बनवणे .

साहित्य :- रवा , डालडा , साखर , अमूल बटर , दुध .

साधने :- परात , ट्रे , चमचा , लाकूड .

कृती :- १) प्रथम आम्ही रोट साठी लागणाऱ्या साहित्याची यादी केली व ते                 गावातून आणली .
           २) डालडा १२५ gm घेतला  त्याला डालडा १२५ gm घेतला  त्याला                   व्यवस्थित मिक्स केले .
           ३) त्या मध्ये ५००gm रवा  टाकला व  त्याला डालडा १२५ gm                        घेतला  त्याला व्यवस्थित मिक्स केले .

          ४) साखर व अमूल बटर टाकून हे सर्व मिक्स केले व त्यानंतर                        त्यात वेलची टाकली . 
          ५) मग दुधात ते लाडू  बनतील असे प्रकारे ते मिक्स केले .
          ६) त्यानंतर ट्रेला थोडासा डालडा लावून घेतला . रोट बनवून  ट्रे                      मध्ये ठेवले .
          ७) भटीचे ट्रेपरेचर थोडे जास्त असून गरजेचे असते .
          ८) रोट पुरपणे चाॅकलेटी होइपर्यत ठेवावे .

निरीषण :- १) ट्रेला डालडा जास्त लोवू नये .
                 २) मिश्रण  व्यवस्थित मिक्स केले .
                 ३) रोट व्यवस्थित भटीमध्ये भाजून घ्यावे .

कोस्टीग :-


अ.क्र
वस्तू
नग
दर
किम्मत
रवा
१.५/kg
२८/kg
१४Rs
डालडा
१२५gm
९०/kg
११.२५ Rs
साखर
५००gm
३०/kg
१५ Rs
अमूल बटर
१पॅकेट
१ पॅकेट ४६
४६ Rs
दुध
१.५ लिटर
४०/kg
२० Rs
लाकूड
७/kg
८/kg
५६ Rs

लेबर चार्ज
४२.२५Rs

TOTOL
214.75Rs

चकली बनवणे 

उद्देश :- चकली बनवणे व विकणे . 

साहित्य :- मैदा , मीट , मिरची पावडर , मूग डाळ , तेल , पाणी . 

साधने :- गॅस, कुकर , पॅरात ,  चकली चा साचा , कढई . 


कृती :- 1) सर्वात आधी  १२५gm  मूग डाळ घेतली ती धुतली त्यानंतर                    ती कुकर मध्ये शिजायला ठेवली . 
         2) ती पूर्ण शिजल्या नंतर काढली त्यानंतर मैदा घेतला तो एक                   फडक्यात चाळून  बांधला व कुकर मध्ये ठेवला तो जरा                         शीजवऊन घेतला .
         3) तो मैदा शिजल्यानंतर मैद्याचे गोळे झाले होते ते पाहून चालून               घेतले . 
         4) त्यानंतर त्यात मिरची पावडर , मीट , टाकले व सर्व मिक्स                     करणे . 
         5) त्यानंतर त्यात शिजलेली मूग डाळ टाकली व सर्व चांगले                       मिक्स करून घेतले . 
         6) त्यानंतर ते एक साचत भरून त्याचा चकल्या बनवल्या व                     त्याचा रंग जरा बदलत नाही तो परंत तळली . 

निरीक्षण :-  1) पिट  मळताना नीट माळवे ते कठीण होऊ देऊ नये .                         2)चकली तळताना ती जाळून देऊ नये .


 गुलाब जामून बनवणे 


उद्देश :- गुलाब जमून बनवणे व विकणे . 

साहित्य :- दूध , मैदा , पिठीसाखर , इलायची पावडर , तेल , साखर . 

साधने :- गॅस , प्लेट , चमचा , उलतने, टोप . 

कृती :-  1) पहिल्यांदा  गॅस वरती पात्याले ठेऊन दूध आठवले म्हणजे                        त्यातील पाणी काढून टाकले . व खावा बनवला .
            2) ३ लिटर दुधाला बरोबर १ तास लागला . 
            3) त्यानंतर खावा ,   इलायची पावडर , दूध  हे सर्व मिक्स केले .                4)  त्या मिश्रणाचे छोटे गोळे बनवले . 

            5) ते गोळे तेलात चांगले तळले खरपूस होईपर्यंत 
            6) त्यानंतर साखरेचा पाक बनवला 
            7) त्यात ते गोळे मुरण्यास ठेवले व पूर्ण ते मुरे परंत ठेवले त्याचा                  पूर्ण आत पाक गेला पाहिजे . 

निरीक्षण :- 1)दुधाचा खावा जाळून देऊ नये . 
                  2)गुलाबजामून भाजताना ते जाळून देऊ नये . 
                  3)गुलाब जमून पाकात चांगले मुरून द्यावेत . 



पाव बनविणे 



उददेश :-भट्टीचा वापर करून पाव बनविणे . 

 साहित्ये :- मैदा , साखर , तेल ,ईस्ट ,ई .

साधने :-आटा मेकर मशीन ,उलथणे ,भट्टी ट्रे ,वजन काटा ,टेबल इ .... 

 कृती :-  १)  भट्टी पेटवण्यास  लावावी . त्या मंधे लाकडे मोजून टाकावे व                     वजन करावे . मैद्याचे पीट  चालून घेतले . व ते ८ किलो घेतले                 . त्या नंतर ईस्ट आणि मीट हे ऐकट्रकरून ते ऍक्टिवेट                                होन्यासाटी  १० मिनिटे ठेवले . व ते पीट चाळलेले होते  त्या                      मंधे टाकले व ते मिक्स करून घेतले . त्या नंतर ते फुगण्यास २                  तास ठेवले . मग त्याचे गोळे बनवून ते ट्रे वॉर ठेवले एकसारखे                 बनवावे . नंतर ते फुगून घ्यावे . मग आम्ही भट्टी मंधे                               बाजण्यासाटी घेतले . भट्टी मंधे तापमान ४०० च्या वरती असावे                 मग पाव ७ ते १० मिनिटात बजात्तात . व नंतर त्यांना तेल                       लावावे . व थंड होऊ द्यावे नंतर ते दुसऱ्या भांड्यात काढावेत . 

निरीक्षण :- १) मैदा व्यवस्तीत मळून घ्यावा चिकल व मऊ होऊ द्यावा .                   २) भट्टी मंध्ये पाव बनवतानी आपल्याला इजा होणार नाही                            याचे कालजी घ्यावी . 

                ३) भट्टीचे तापमान हे ४०० च्या वरती असावे . 

                ४) पाव करपणार नाहीत याची काळजी असावी . 

                ५) पाव बनवून झाल्यावर ते थंड होऊ द्यावेत . 


Image result for pav
अ.क्र
   वस्तू
नग
   दर
किंमत
   मैदा
८ kg
 २९ kg
२०८
   इस्ट
२०० ग्रम
 २०० kg
४०
   मीठ
१५० ग्रम
 १५ kg
२.२५
   ग्लूटेन
१० ग्रम
 १० rs /२० gm
   तेल
२५० ग्रम
 ८० kg
२०
  लाकूड
२०kg
 ८ kg
१६०
                          लेबर चार्ज
१०८
                          टो
४३४.२५